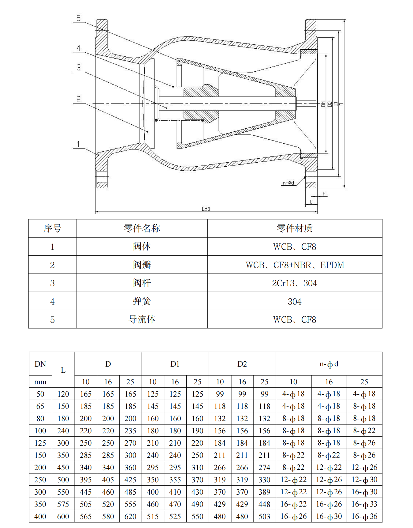
該閥的結構特征如圖所示。該閥的主要特點是在閥門出口端安裝了一個導流體。當介質從進口進入后,托起閥瓣流向出口。當介質停止進入時,出口管道內的介質必然急速回流。由于導流體的作用,回流的介質順著導流體的外表面和閥體的內表面滑向進口,使倒流的介質不直接作用在閥瓣的大端面上,從而避免倒流介質對閥瓣的沖擊,避免了水錘的產生,從而達到靜音的效果。
序號 | 零件名稱 | 零件材質 |
1 | 閥體 | WCB、CF8 |
2 | 閥瓣 | WCB、CF8+NBR、EPDM |
3 | 閥桿 | 2Cr13、304 |
4 | 彈簧 | 304 |
5 | 導流體 | WCB、CF8 |

版權所有:博納斯威閥門股份有限公司 地 址:天津市寶坻區九園工業園5號路
版權所有:博納斯威閥門股份有限公司
地 址:天津市寶坻區九園工業園5號路